- 2023-11-09 06:48:45 航天用鎳基高溫合金及其激光增材制造研究現狀
1、現狀與問題
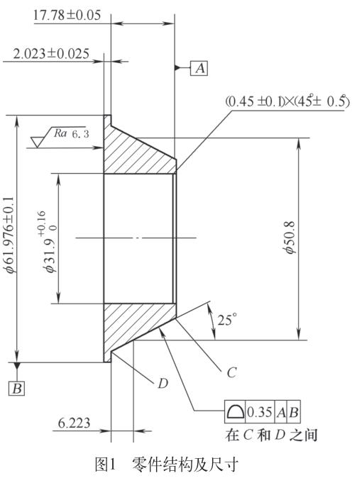
在生產加工中,遇到如圖1所示零件結構,該零件材料為高溫鎳基合金Inconel718,材料標準為AMS5662。

該零件使用φ63.5mm×122mm棒料加工,為減小零件的加工余量,安排粗加工工序先將內孔加工到φ28~φ28.5mm,再使用數控車床加工,工序步驟如下:粗車外圓、外錐面、端面→半精鏜內孔→精鏜內孔→精車外圓、外錐面、端面→切斷。
該零件的主要加工難點為外錐面的切削余量大,單邊要去除3.5~11.7mm的大余量,由于零件材料Inconel718鎳含量為50%~55%,鉻含量占17%~21%,可以看出切削加工性很差,粗車外圓、外錐面、端面時最初分別選用了多種刀片加工,但都是每兩個刀片刃部僅能加工一個零件,即在粗車過程中,先將零件外圓、外錐面加工一半,然后更換刀具加工剩余的一半,其余工步加工需每加工2~3個零件更換一次刀具。
刀具磨損情況如圖2所示,堆積在刀具前面近切削刃處的硬楔塊形成積屑瘤,積屑瘤脫落時會引起切削刃破損,由于刀具選擇不合理,加工時刀具磨損相當嚴重,換刀相當頻繁,增加了操作者的勞動強度,降低了生產效率。

2、粗車外圓刀具的選擇
根據高溫合金的性質及其加工特點,切削時必須選擇合適的刀具材料、合理的刀具幾何參數、合理的切削用量及切削液使用方法。
(1)刀片材料選擇
切削高溫合金時應選用耐熱性好、抗彎強度高、耐磨、導熱性能好及抗粘結性好的刀具材料,如硬質合金、立方氮化硼及氮化硅陶瓷等,經過對比試驗,選用合適的硬質合金刀具,加工成本較低。選擇的用于車削加工鎳基高溫合金外圓、端面用粗車刀具為SAFETY公司的型號為WNMG080412-M79605刀片,該刀片基體材料為亞細晶粒硬質合金,粒度<1.0μm,合金基體硬度為90~93.5HRA,表面采用4μm厚度的TiAlN(氮化鋁鈦)涂層,帶涂層合金表面硬度為2000HV,具有硬度高、氧化溫度高、熱硬性好、涂層附著力強、摩擦系數小及導熱率低等優良特性,適合于高溫合金、鈦合金及高強度不銹鋼加工。
(2)刀具結構及幾何參數
高溫合金粗車時切削力大,為增強刀具強度,選擇了0°前角槽形刀片,刀具后角為0°,刀尖半徑1.2mm,刀尖角80°,在保證刀具強度的同時,選較大的主偏角95°,減少主刃切削寬度,增加切削厚度,減少加工表面硬化現象,降低切削刃磨損,提高刀具使用壽命。由于高溫合金塑性好、強度高,切屑易卷曲,切屑易纏繞在工件或刀具上,故需在刀片上制造斷屑槽進行強制斷屑,如圖3所示。

該刀片刀尖處有0.2mm寬的刃口,與0°后角形成良好的支撐,增強了切削刃的強度;和刃口緊鄰的倒角和圓弧面利于切屑成形和卷曲,因而得到更好的切屑流動并減少摩擦,減少振動和使切削溫度降低,從而使工件切削處的切削力和剩余應力減小。
刀尖半徑會影響到切削刃強度,粗加工選取大刀尖半徑(R0.8mm或R1.2mm)可獲得高強度切削刃,并可選擇較大的進給量和切削深度,從而獲得較高的刀具壽命和高金屬去除率。
(3)粗車切削參數
在高溫合金加工過程中,隨著切削速度的增加,切削溫度會升高,為避免切削溫度過高,應采用較低的切削速度;由于高溫合金加工過程中易產生硬化層,為避免切削刃和刀尖劃過硬化層,切削深度約為刀尖半徑的1/2,外圓、端面粗車參數見表1。

3、精車外圓刀具的選擇
(1)刀具材料及結構
精車外圓刀具與粗車外圓刀具的材料相同,但由于切削余量較小,切削力相對較小,為獲得鋒利的刃口,必須采用較大的前角。增大刀具的前角可減小切屑切離和清除過程中所遇到的阻力,并減小切削熱,但前角過大則刀頭散熱體積減小,切削溫度反而升高。實踐表明,取前角15°~20°最為合適。在選擇后角時,后角過小容易和工件表面產生嚴重摩擦,使加工表面粗糙度惡化,加速刀具磨損。并且由于強烈摩擦,加強了高溫合金表面加工硬化效應;刀具后角也不宜過大,后角過大,使刀具的楔角減小,降低切削刃的強度,加速刀具的磨損。精加工選擇較小刀尖半徑可獲得較高的表面質量,經試驗,選擇高溫合金精車刀片型號為CCGT09T302-PM29605,為正前角槽形刀片,刀具前角18°,刀具后角7°,刀尖半徑0.2mm,斷屑槽幾何形狀如圖4所示。對于鏜孔工步,由于在鏜孔前已進行鉆孔加工,故鏜孔僅分為半精鏜孔和精鏜孔,半精鏜選擇刀尖半徑0.4mm,刀片型號為CCGT09T304-PM29605,精鏜刀片與精車外圓刀片型號相同。

(2)切削參數
在高溫合金加工過程中,半精加工及精加工的切削速度也不宜過高,切削深度不能過高,也不能過低,須在合理范圍內,切削參數見表2。
(3)其他車削要素
對于高溫合金切槽、切斷和車螺紋等,也進行了工藝試驗,選擇了合適的刀具及工藝切削參數,見表3。

4、切削液
切削高溫合金時,為降低切削溫度,提高刀具耐用度,應使用切削液。選擇的切削液應不含硫,以避免在切削過程中造成晶間腐蝕,我們選擇了馬思特公司型號為TRIMSC310的切削液,該切削液為高油半合成型,pH值為9.6,具有良好的濕潤性、冷卻性及防腐性能,并含有機械潤滑作用的化學表面活性劑,能夠滿足高溫合金的切削及冷卻要求。
高溫合金加工刀具磨損大,故原則上分粗、精加工,以減小切削余量,工藝路線安排如下:
下料→熱處理(按需)→粗加工→半精及精加工→去毛刺→標印→清洗→滲透檢查→清洗→檢驗→包裝。在加工過程中注意以下幾點:
1)當設計圖中有熱處理要求時,在下料后機加前安排熱處理工序。
2)回轉類零件可用鉆孔、車削等方法進行粗加工,單邊留余量1~2mm。
3)零件較大或形狀復雜時可用線切割方法進行粗加工,單邊留余量1~2mm。
4)半精加工及精加工原則上安排在同一設備上進行,選擇不同的刀具及切削參數。
5)機加工序完成后安排滲透檢查工序,以便于檢查零件材料是否存在缺陷。
5、結語
經過大量的工藝試驗工作,對鎳基高溫合金零件車削加工的全過程進行了工藝研究,選擇了合適的切削刀具,摸索出了一套合理的工藝參數,滿足了高溫合金零件車削加工要求。
參考文獻:
[1]楊尚委,盧劍鋒,白冰.K4169合金的外圓高效車削刀具磨損研究[J].組合機床與自動化加工技術,2018(08):42-45.
[2]武導俠,張定華,姚倡鋒.GH4169高溫合金車削表面完整性對疲勞性能的影響[J].航空材料學報,2017.37(06):59-67.
[3]鐘麗瓊,梁蓋龍,楊明,等.車削參數對GH4079高溫合金表面特征的影響[J].現代制造工程,2017.(08):78-82.



jhx-ti.com
聚宏信微信二維碼